jaksa automation company logo
  • Home
  • Services
    • Automation
    • Machine Manufacture
    • Machine Maintenance
    • Project Design
  • Projects
  • About Us
  • Contact
slovenian flag

Downloads

  • Home
  • Downloads

Publicly available downloads

Diotec Difuzijske Peči Navodila za uporabo V1.0 20230112 - SLO.pdf
Husky IMM User Manual V1.0 20220227 - ENG original.pdf
S.E.P. Pihalka Battenfeld Fischer Navodila za uporabo V1.0 20231028 - SLO.pdf
drawio_husky_2000_20211226.drawio
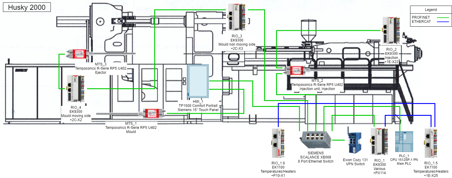
drawio_husky_2000_20211226.png
thermoplastik_monitoring_network_schematics_20220315.drawio.png

Cookie Message

This site uses cookies to enchance user experience. For more information visit page: Privacy Policy

Jaksa Automation company logo

Company Information

Servisiranje elektronskih strojev in naprav na terenu, Silvester Jakša s.p. Hrustovo 5
1315 Velike Lašče
Slovenia
VAT: SI24964298

Phone 1: +386 41 625 405
Phone 2: +386 31 872 760
Email:

Navigation

  • Home
  • Services
  • Projects
  • About Us
  • Contact

More

  • Privacy Policy
  • Downloads

Jaksa Automation © 2022. All Rights Reserved.